Ein Überblick über die wichtigsten Parameter, einschließlich der Empfindlichkeit und der Auswirkungen des Widerstands.
Mikrofonempfindlichkeit
Definition:Unter Empfindlichkeit versteht man die Effizienz der Umwandlung von Schall in Elektrizität durch ein Mikrofon, gemessen in Dezibel (dB). Basierend auf Standard-Mikrofontests entsprechen 0 dB 1 V. Daher sind alle Mikrofonempfindlichkeitswerte negativ (z. B. -58 dB).
Empfindlichkeitsbereich:
Der typische
Empfindlichkeitsbereich für Mikrofone liegt zwischen{} dBUnd{} dB, je nach Anwendung:
- Laptops:Erfordern eine höhere Empfindlichkeit{} dB.
- Bluetooth-Headsets:Ungefähr geringere Empfindlichkeit{} dB.
Einfluss des Widerstands (R) auf die Empfindlichkeit
Es ist wichtig zu beachten, dass die Mikrofonempfindlichkeit nicht nur von der Kapsel selbst bestimmt wird, sondern auch vom Widerstand (R) im Stromkreis beeinflusst wird. Der Wert dieses Widerstands hat einen direkten Einfluss auf die Empfindlichkeit:
- Ein höherer Widerstandswert erhöht die Empfindlichkeit.
- Verwendung des gleichen Mikrofons mit R-Werten von1kΩUnd2kΩkann zu einem Empfindlichkeitsunterschied von nahezu 100 % führen7 dB!
Testbedingungen für Empfindlichkeit
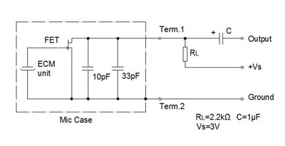
Da die Empfindlichkeit bedingt ist, geben Mikrofonhersteller in der Regel Testparameter an. Zu den üblichen Testbedingungen gehören:
- Widerstand (R): 2.2 kΩ
- Stromspannung: 3V
Elektretmikrofone bieten eine vielseitige Leistung, ihre Empfindlichkeit hängt jedoch nicht nur vom Kapseldesign, sondern auch von externen Faktoren wie Widerstand und Testparametern ab. Durch die richtige Ausrichtung dieser Variablen wird eine optimale Funktionalität für verschiedene Anwendungsfälle gewährleistet.



