Elektretmikrofonkapsel für Lavalier
Entwickelt für überlegene Audioklarheit und Stabilität, dieElektretmikrofonkapsel für Lavalierverfügt über einen Frequenzgang von 50 Hz bis 20 kHz und ein hohes Signal-Rausch-Verhältnis von 72 dB. Sein omnidirektionales Muster sorgt für eine konsistente Klangabholung aus allen Richtungen, die perfekt für Anwendungen ist, die zuverlässige Sprachaufnahmen fordern. Mit einer schlanken Größe von 6 × 2,7 mm und einer langlebigen Konstruktion integriert diese Kapsel nahtlos in Lavalier -Mikrofone, Headsets und drahtlose Audiogeräte und liefert auch in herausfordernden Umgebungen einen klaren und natürlichen Klang.
Merkmale
- Kompakt und effizient: Mit seiner winzigen Größe von 6 x 2,7 mm passt es leicht in enge Räume, ideal für Lavalier -Mikrofone, drahtlose Systeme und tragbare Geräte.
- Omnidirektionale Klangaufnahme: Das omnidirektionale Design gewährleistet eine gleichmäßige, klare Audio aus allen Richtungen und sorgt für sprachorientierte Aufnahmen in dynamischen Umgebungen hervorragend.
- Breiter Frequenzgang: Liefert eine breite Palette von 50 bis 20 kHz und gewährleistet eine knusprige und natürliche Schallwiedergabe in einer Vielzahl von Anwendungen.
- Hochwertige Leistung: Mit einem 72 dB S/N -Verhältnis und einem maximalen 110 dB SPL sorgt diese Kapsel auch in verrückten Umgebungen zu einer zuverlässigen, konsistenten Leistung.
- Vielseitige Anwendungen: Perfekt für Lavalier-Mikrofone, Headsets und tragbare Aufnahmegeräte professionell.
Anwendungen
|
|
|
Kabellose KommunikationskopfsetsDerElektretmikrofonkapsel für LavalierExcels in Headset -Mikrofonanwendungen und bietet ein klares Sprachgetriebe mit minimalem Hintergrundgeräuschen. Die kompakte Größe und die omnidirektionale Abholung ermöglichen eine natürliche, komfortable Audio-Erfassung für die langfristige Verwendung in Call-Zentren und Kommunikationsgeräten. |
Professionelle Lavalier -MikrofoneDiese Kapsel ist perfekt für die Lavalier -Mikrofon -Integration geeignet und bietet einen strengen und ausgewogenen Klang für Präsentationen, Interviews und Rundfunk. Seine hohe Empfindlichkeit und Rauschablehnung machen es ideal für tragbare Audiogeräte, die diskrete, aber leistungsstarke Sprachabholung erfordern. |
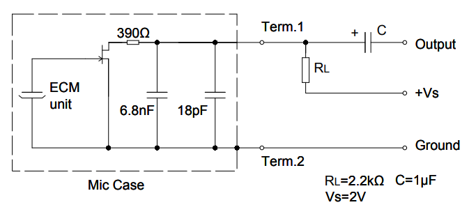
Spezifikationen
| Name | Parameter |
| Modell |
ECM-B6027Al30-715 |
| Empfindlichkeit |
-30±2db |
| Ausgangsimpedanz | 2.2kΩ |
| Direktivität | Omnidirektional |
| Frequenzbereich | 50-20 kHz |
| Maximale SPL | 110 dB |
| S/N -Verhältnis | 72 dB |
| Abmessungen | 6 x 2,7 mm |
|
|
|
Warum uns wählen?
Unser Engagement für Präzisionsherstellung und Qualitätskontrolle macht dasElektretmikrofonkapsel für LavalierEine vertrauenswürdige Wahl für professionelle Audiolösungen. Durch die Nutzung jahrzehntelange Erfahrung und automatisierte Produktion stellen wir sicher, dass jede Kapsel eine einheitliche Empfindlichkeit und niedrige Verzerrung beibehält und für kritische Audioanwendungen eine zuverlässige Leistung bietet. Dieser Fokus auf Stabilität und Zuverlässigkeit positioniert uns als zuverlässiger Partner für Marken, die eine konsequente Klangqualität und nahtlose Integration erfordern.
Beliebte label: Elektretmikrofonkapsel für Lavalier, China Elektretmikrofonkapsel für Lavalier -Hersteller, Lieferanten, Warmes SchallmikrofonTiktok -MikrofonGlasfasermikrofon3D -Audio -MikrofonAR -MikrofonFrequenzgang -Mikrofon
Ein paar
KostenloseDer nächste streifen
6022 Langstift MikrofonkopfDas könnte dir auch gefallen
Anfrage senden









