Unidirecionale Kondensatormikrofonteile
Dieses unidirektionale Elektret-Kondensatormikrofon (4 x 1,5 mm) ist für präzise Schallabdeckung in raumbeschränkten Geräten ausgelegt. Mit einer Empfindlichkeit von -30 ± 2 dB und einem Frequenzgang von 100 Hz-16KHz liefert es eindeutige, genaue Audio für Lavalier-MICs, -abrechnungen und sprachaktivierte Systeme. Das unidirektionale Design des Mikrofons minimiert das Umgebungsgeräusch, während die HF -Abschirmung eine zuverlässige Leistung in elektrisch verrauschten Umgebungen gewährleistet. Es behandelt bis zu 100 dB SPL ohne Verzerrung, und seine Ausgangsimpedanz von 2,2 kΩ sorgt für eine einfache Integration in verschiedene Systeme.
Merkmale
- Unidirektionales Design: Erfasst Klang aus einer Richtung, minimiert Hintergrundrauschen und konzentriert sich auf die Ziel -Audioquelle.
- Hohe Empfindlichkeit: -30 ± 2 dB Sensitivität sorgt für eine klare und präzise Schallaufnahme, auch in ruhigeren Umgebungen.
- Breiter Frequenzbereich: 100 Hz - 16 kHz Frequenzgang, ideal für Sprachaufzeichnung und allgemeine Schallaufnahme.
- Kompakte Größe: 4 x 1,5 mm, perfekt für platzbeschränkte Geräte ohne beeinträchtige Leistung.
- Maximale SPL: 100 dB, behandelt hohe Schalldruckpegel und behält die Klarheit in lauten Umgebungen auf.
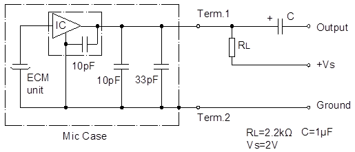
- Ausgangsimpedanz: 2,2 kΩ, um eine einfache Integration in verschiedene Systeme und eine zuverlässige Leistung zu gewährleisten.
Anwendungen
|
|
|
|
Headset -Mikrofon Dieses Mikrofon ist für Anwendungen ausgelegt, die langfristig Verschleiß und Stabilität erfordern. Das kompakte Größe und das unidirektionale Aufnahmemuster sorgen für eine klare Sprachaufnahme und minimieren gleichzeitig Hintergrundgeräusche. Der Träger kann sich ohne Störung aus dem Mikrofon frei bewegen und es ideal für Szenarien wie öffentliches Sprechen, Hosting oder Lehren, in denen Interaktion und Bewegung unerlässlich sind. Auch bei längerem Gebrauch bleibt das Mikrofon bequem und macht es perfekt für professionelle Umgebungen. |
Lavalier -MikrofonDas kompakte Design dieses Mikrofons macht es zu einer hervorragenden Wahl für Lavalier -Anwendungen. Es kann leicht zu Kleidung abgeschnitten werden und bietet eine hohe Verschleierung und macht es perfekt für Interviews, Besprechungen oder Präsentationen. Das unidirektionale Muster sorgt für eine klare Sprachaufnahme und reduziert gleichzeitig die umgebenden Geräusche. Aufgrund seiner geringen Größe kann sich der Benutzer frei bewegen, ohne durch das Mikrofon eingeschränkt zu werden, was es ideal für Situationen macht, in denen diskrete Verschleiß und hochwertige Audio erforderlich sind, um eine klare und natürliche Sprachübertragung sicherzustellen. |
Spezifikationen
| Name | Parameter |
| Modell | ECM-B4015ul -30 |
| Empfindlichkeit | -30 ± 2 dB |
| Ausgangsimpedanz | 2.2kΩ |
| Direktivität | Unidirektional |
| Frequenzbereich | 100-16 khz |
| Maximale SPL | 100 dB |
| S/N -Verhältnis | 60 dB |
| Abmessungen | 4 x 1,5 mm |
|
|
|
Warum uns wählen?
Wir sind spezialisiert auf qualitativ hochwertige Mikrofonkomponenten, die zur nahtlosen Integration in benutzerdefinierte Audiosysteme hergestellt wurden. Die unidirecionalen Kondensatormikrofonteile sind so konstruiert, dass sie genau Sound erfassen und eine zuverlässige Leistung für eine Vielzahl von Anwendungen liefern. Mit jahrzehntelanger Erfahrung in der Branche konzentrieren wir uns darauf, Produkte bereitzustellen, die einheitliche Klarheit, lang anhaltende Haltbarkeit und hervorragende Klangqualität gewährleisten und uns zu einem vertrauenswürdigen Partner für alle Ihre Mikrofonkomponentenanforderungen machen.
Beliebte label: Unidirecionale Kondensatormikrofonteile, China Unidirecional Condenser Mikrofonteile Hersteller, Lieferanten, Lieferanten, Tragbares MikrofonE Lernmikrofon
Ein paar
KostenloseDer nächste streifen
Großes Membran -Elektretikrofon für die SendungDas könnte dir auch gefallen
Anfrage senden









