6027 Einrichtungselektretmikrofon mit Pin
Diese 6 . 0 × 2 . 7mm -Elektretmikrofon isoliert mit einem unidirektionalen Aufnahmemuster effektiv die Hauptschallquelle, während das Umgebungsgeräusch .}}}}} mit einer Empfindlichkeit von -47 ± 2DB und einer Frequenz -Sound -Reaktion von 60Hz - 16khz, IT -NATUMENCE -SOONDBE FÜHLEN, und einem Frequenz -Sound -Aspekt von 60Hz - 16KHz, IT -NATURE -SOONDBE -SOONDBE -SOONDBE. Instrumentenanwendungen. Es ist für Präzision in kompakten Geräten entwickelt und ist perfekt für die Integration in Hochleistungs-Audiosysteme geeignet, in denen der Platz begrenzt ist, die Qualität jedoch nicht beeinträchtigt werden kann.
Merkmale
- Hochempfindlichkeit: -47 ± 2 dB sorgt für eine optimale Schallaufnahme .
- Unidirektional: Cardioid -Pickup -Muster für gezielte Audio -Capture .
- Umfangreiches Frequenzspektrum: 60-16000 Hz für verschiedene Audiofunktionalitäten .
- Effizientes Layout: Kompakte Abmessungen von 6 . 0 x 2,7 mm ideal für platzbeschränkte Anwendungen.
Anwendungen
|
|
|
|
Fokussierter Stimmabholung für Live
-Mikrofone Diese unidirektionale Kapsel wurde für den Einsatz in Handheld- oder Bodypack -MICs entwickelt und übertrifft Vokalsignale in lauten Umgebungen ., ob in einem Konzert oder in einem öffentlichen Sprechumfeld sichergestellt wird, dass die Stimme des Darstellers klar und frei von der umliegenden Interferenz liefert. |
Präzisionserfassung für
Instrumentenmikrofone Diese Kapsel ist perfekt für die Verwendung in Instrumentenmikrofonen und erfasst die Nuancen von Gitarren, Schlagzeug und akustischen Instrumenten mit hervorragender Klarheit . Das fokussierte Polarmuster hilft, Blutungen aus nahe gelegenen Quellen zu reduzieren. |
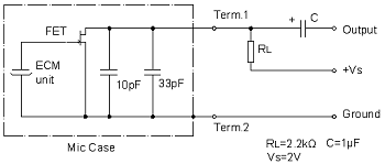
Spezifikationen
| Name | Parameter |
| Modell | ECM-B6027UP -47 |
| Empfindlichkeit | -47 ± 2 dB |
| Ausgangsimpedanz | 680Ω |
| Direktivität | Uni |
| Frequenzbereich | 60-16000 Hz |
| Maximale SPL | 100 dB |
| S/N -Verhältnis | 52 dB |
| Abmessungen | 6,0*2,7 mm |
|
|
|
Warum uns wählen?
Was uns auszeichnet, ist unsere fortschrittliche automatisierte Herstellung, die sicherstellt, dass jede Mikrofonkapsel in Gegenwart in Bezug auf Stapel {. im Gegensatz zur manuellen Montage, die in der Qualität variieren kann, garantieren, dass unsere automatisierten Prozesse einheitliche Empfindlichkeit, Frequenzgang des Frequenzgangs und Richtungsgenauigkeit .}}} Diese Ebene des Frequenzverhaltens für die zugängliche Ausrüstung für den Hersteller, das zugänglich für die Hersteller von Herstellern zugänglich ist. Aufzeichnungswerkzeuge .
Der nächste streifen
9750 Elektretmikrofon mit StiftDas könnte dir auch gefallen
Anfrage senden









